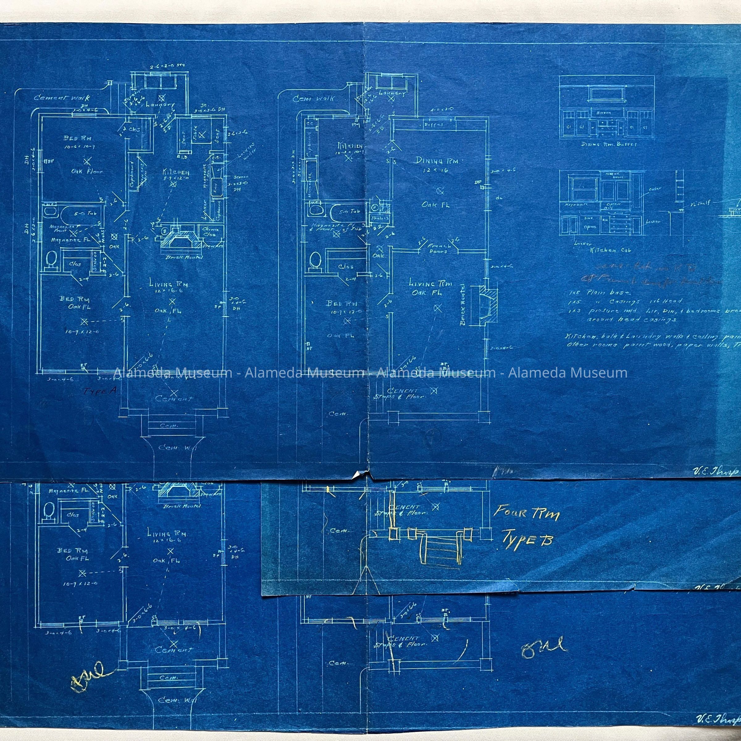
Blueprints for floor plan with variations for V.E. Thorp, 1920s-1930s

Name/Title

Blueprints for floor plan with variations for V.E. Thorp, 1920s-1930s

Entry/Object ID

2025.38.26

Description

Acc. No. 25.38.26 A, B, C Subject Category: Homes of Alameda Date or Period: 1920s-1930s Object: blueprint, architectural Description: Undated blueprints by V.E. Thorpe. The original shows two different lay-outs in a floor area, with to the right, drawing of a dining room buffet and kitchen cabinets. All have different annotations, in black marker and pencil on A, in yellow grease pencil on B and C. C has only the right side. Size: A, B: L 27 1/2 x W 14 1/2 inches; C: L 17 x W 14 1/2 History of Objects: A blueprint likely from the attic of the Office of H.G. or C.G. Mehrtens, real estate brokers. There appear to be a 'Type A', with 2 bed rooms, kitchen and living room, and central steps, and type B, with 1 bedroom, living room, dining room and kitchen, and steps coming from the side. Corrections on B indicate one front window on the left and one under the porch, instead of 2 windows at each location. Corrections on C. show the steps on 'Type B' coming from the front. Vernon Thorp was boarding in Alameda in 1912; in 1940 he lived with wife Clara and 3 daughters. Donor: unknown Catalog Date: 2/26/2025