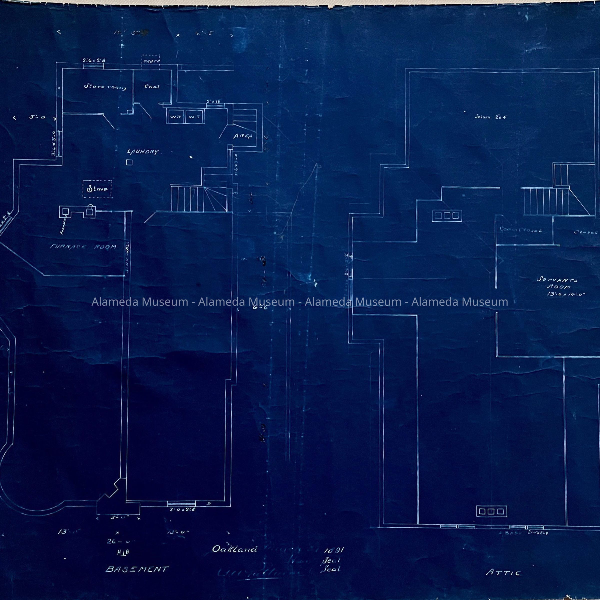
Blueprints to 915 Grand Street, 1891

B

B

Name/Title

Blueprints to 915 Grand Street, 1891

Entry/Object ID

1986.25.1

Scope and Content

Acc. No. 86.25.1 a through c Subject Category: Homes of Alameda, Victorian Date or Period: 1891 Object: Blueprints (3) Description: Blueprints (a) front & side elevation, (b) floor plan (first & second floor, (c) basement & attic. Size: L-17 1/4 x W-29 inches History of Object: Series of 3 blueprints to 915 Grand Street, Alameda, erected in 1891 for Mary E. Shaw, by A. W. Pattiani & Co., architects & builders. The residence, in the Queen Anne style is still standing (1986). Acquired from: Julia L. Weston Date: 5-24-86