HUB
Collections
Classifications
About
App
CSK-1781
Archive
-
AVRO Museum
Name/Title
CSK-1781
Entry/Object ID
1578
Category
Blueprint
Archive Items Details
Description
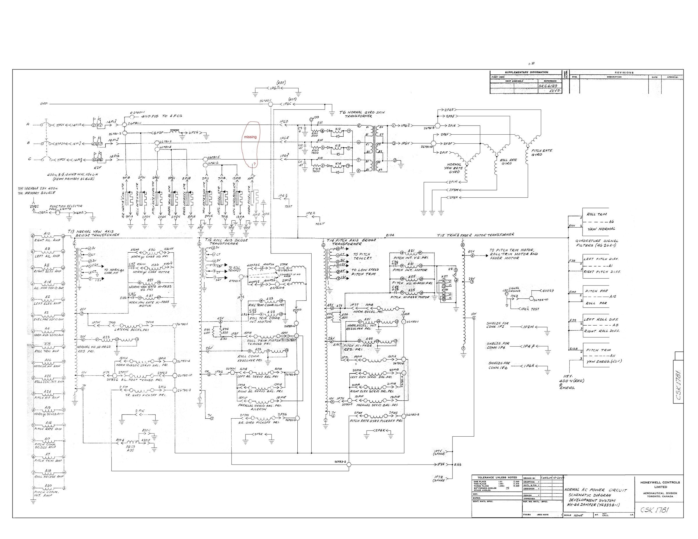
Normal AC Power Circuit Schmatic Diagram Development System MH-64 Damper (YG339B-1)
Web Links and URLs
Research Tips & Terms of Use
General Notes
Note
Date / Time Period: 10/20/58 Pages: 1 Author: T. Mason Publisher: Honeywell Controls Limited