HUB
Collections
Classifications
About
App
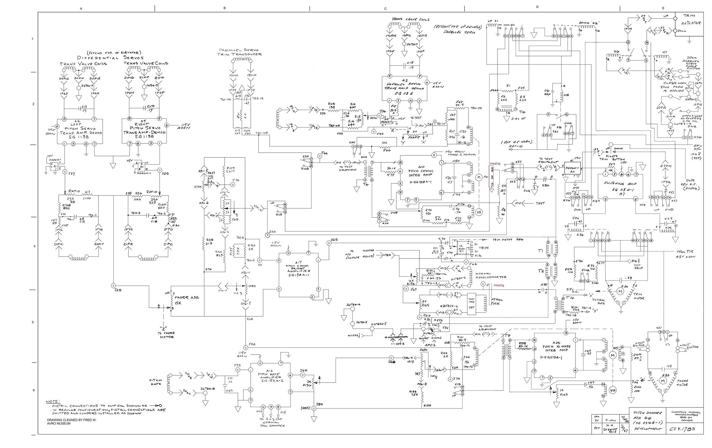
CSK-1783
Archive
-
AVRO Museum
Name/Title
CSK-1783
Entry/Object ID
231
Category
Blueprint
Archive Items Details
Description
Redrawn Pitch Damper MH64 (YG339B-1) Development
Web Links and URLs
Research Tips & Terms of Use
General Notes
Note
Date / Time Period: 10/20/57 Pages: 1 Author: J. Law Publisher: Minneapolis Honeywell Aero Div Canada