Architectural Plans For Two Heating Systems For Four Square Gospel Lighthouse and C.W. Spaulding's Auto Repair Shop (Hudson Falls NY)

Name/Title

Architectural Plans For Two Heating Systems For Four Square Gospel Lighthouse and C.W. Spaulding's Auto Repair Shop (Hudson Falls NY)

Entry/Object ID

1433

Description

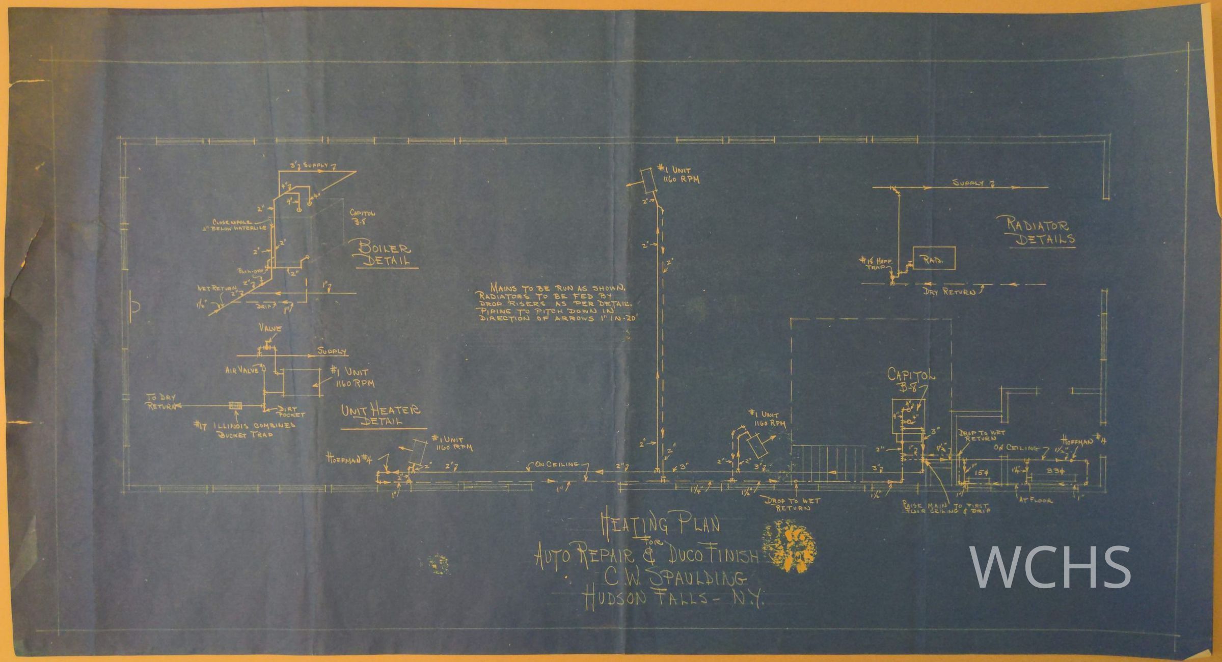
Undated blue prints for heating systems of Four Square Gospel Lighthouse and C.W. Spaulding's Auto Repair Shop, Hudson Falls, NY. Four Square Gospel Lighthouse was dedicated on March 16, 1930, by Mrs. Catherine L. Morrow. The name was changed to Gospel Lighthouse in August 1931. in the mid 1920's, C. W. Spaulding (Claude W.) had an automotive paint shop at 4 and 14 1/2 Center St, HF. He was an authorized Duco refinisher.

Publication Details

Author

Spaulding, C.W. Morrow, Rev. Catherine L.