63 Anson Street (Susan Robinson Dependencies)

63 Anson Street

63 Anson Street

Name/Title

63 Anson Street (Susan Robinson Dependencies)

Entry/Object ID

ANSON.063-65.001

Scope and Content

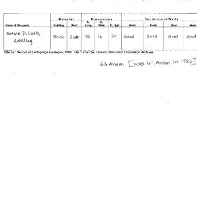
Constructed ca. 1839; rehabilitated mid-1960s. One of two small gable-ended, masonry buildings (63 and 65 Anson Street) constructed as dependencies for 48 Society Street. Mrs. Robinson rented these properties separately before the Civil War. 63 Anson Street is listed as having been occupied by enslaved Africans in the 1861 census. Three files contain: documentation of the covenant on the property; annual inspection reports; requests for alterations; documentation related to the covenant and to the sale of the property; documentation of the management of the property; house history (FOH, 1967); drawings (see mgmt. folder); copy of HCF covenant information card; documentation related to HCF's purchase and sale of the property; copies of Sanborn Maps; 1886 Earthquake Damage Assessment; Hurricane Hugo Damage Survey; 20th century residents/occupants (excerpt from Old Codgers Charleston Address Book); notes from an interview by Bill McIntosh, current owner, with James Thomas Bell, former home owner (2001). See Covenant/Easement Inspection Photo Files for inspection photography.

Collection

Historic Charleston Foundation Property Records

Acquisition

Accession

ANSON.063-65.

Source or Donor

63-65 Anson Street (Susan Robinson Dependencies)

Acquisition Method

Collected by Staff

Lexicon

Search Terms

Anson Street, Ansonborough Rehabilitation Project (ARP), Covenant Property, Ansonborough, Historic buildings--South Carolina--Charleston

Legacy Lexicon

Object Name

Property File

Archive Details

Archive Size/Extent

1 Covenant Folder 1 Management Folder 1 History/Miscellaneous Folder

Archive Notes

Finding Aids: Index to Property Files. Level of Description: Folder

Location

Location

Shelf

Property File Shelves

Room

Margaretta P. Childs Archives

Building

Missroon House

Category

Permanent

Date

February 7, 2023

Notes

PF Box 5

Relationships

Related Entries

Notes

ANSON.063-65.002, ANSON.063-65.003, ANSON.063-65.004, ANSON.063-65.005, ANSON.063-65.006, ANSON.063-65.007, ANSON.063-65.008, ANSON.063-65.009a-b, ANSON.063-65.010 Related Units of Description: See also "Ansonborough" document box, Preservation Topics shelves. See also Easement Manager's working files for more information.

Related Publications

Notes

Buildings of Charleston (see Abstract), pg. 420

Interpretative Labels

Label Type

Online Catalog

Label

Constructed ca. 1839; rehabilitated mid-1960s. One of two small gable-ended, masonry buildings (63 and 65 Anson Street) constructed as dependencies for 48 Society Street. Mrs. Robinson rented these properties separately before the Civil War. 63 Anson Street is listed as having been occupied by enslaved Africans in the 1861 census. Three files contain: documentation of the covenant on the property; annual inspection reports; requests for alterations; documentation related to the covenant and to the sale of the property; documentation of the management of the property; house history (FOH, 1967); drawings (see mgmt. folder); copy of HCF covenant information card; documentation related to HCF's purchase and sale of the property; copies of Sanborn Maps; 1886 Earthquake Damage Assessment; Hurricane Hugo Damage Survey; 20th century residents/occupants (excerpt from Old Codgers Charleston Address Book); notes from an interview by Bill McIntosh, current owner, with James Thomas Bell, former home owner (2001).

General Notes

Note Type

Cataloging Note

Note

Scope and content included reference to "slaves" in the property in the 1861 census. Language was updated. SF 5/26/23

Created By

admin@catalogit.app

Create Date

May 19, 2005

Updated By

sferguson@historiccharleston.org

Update Date

May 26, 2023