HUB
Collections
Classifications
About
App
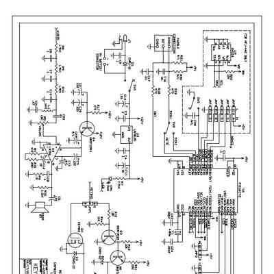
** MFJ-422D
Object/Artifact
-
Radio Alpha
Image: hamandhifi.com
Name/Title
** MFJ-422D
Description
Electronic Keyer
Category
Keys, Electronic
General Notes
Note
MFJ-422 D