HUB
Collections
Classifications
About
App
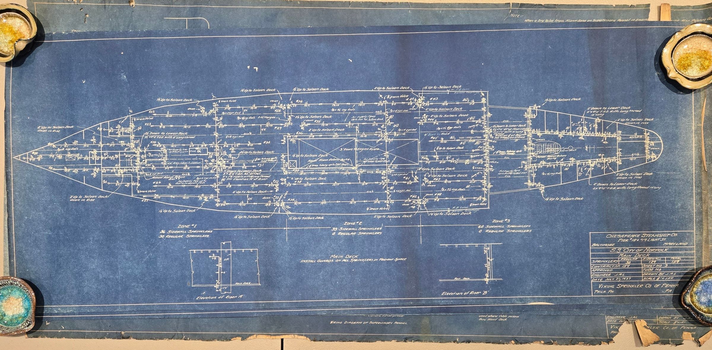
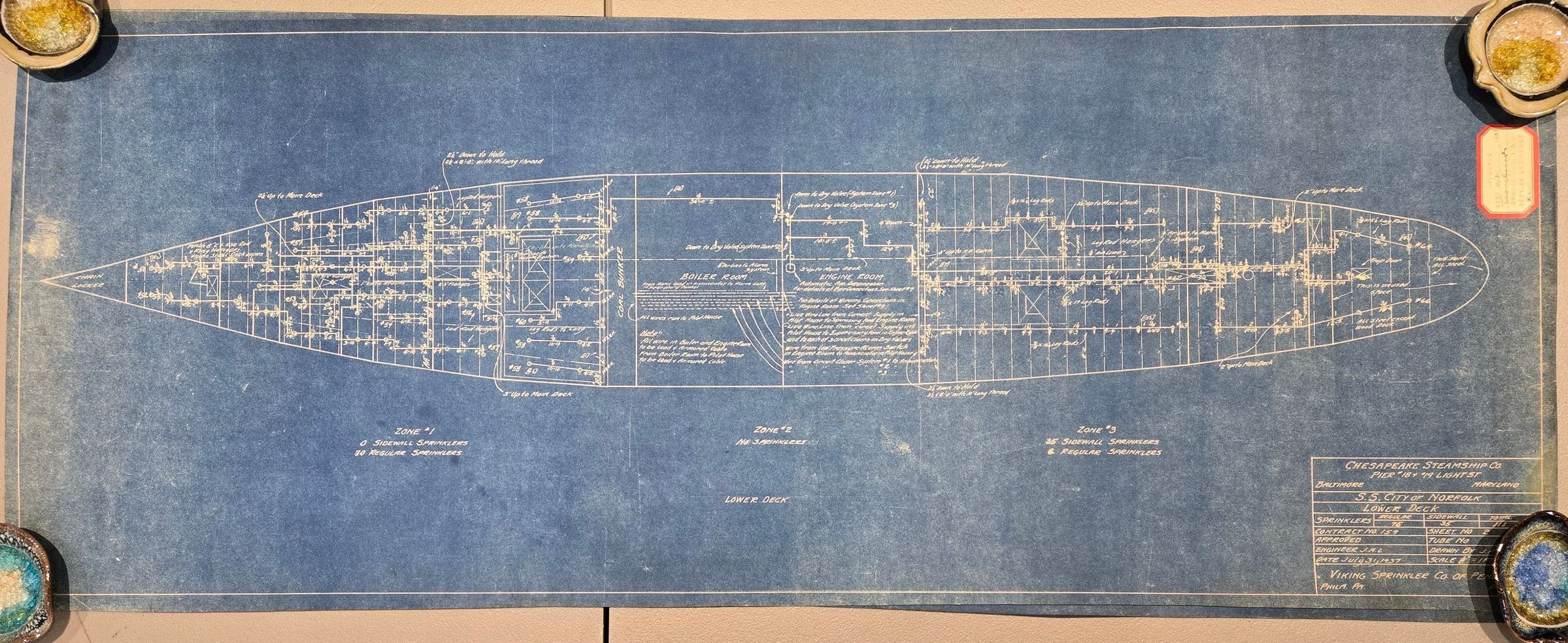
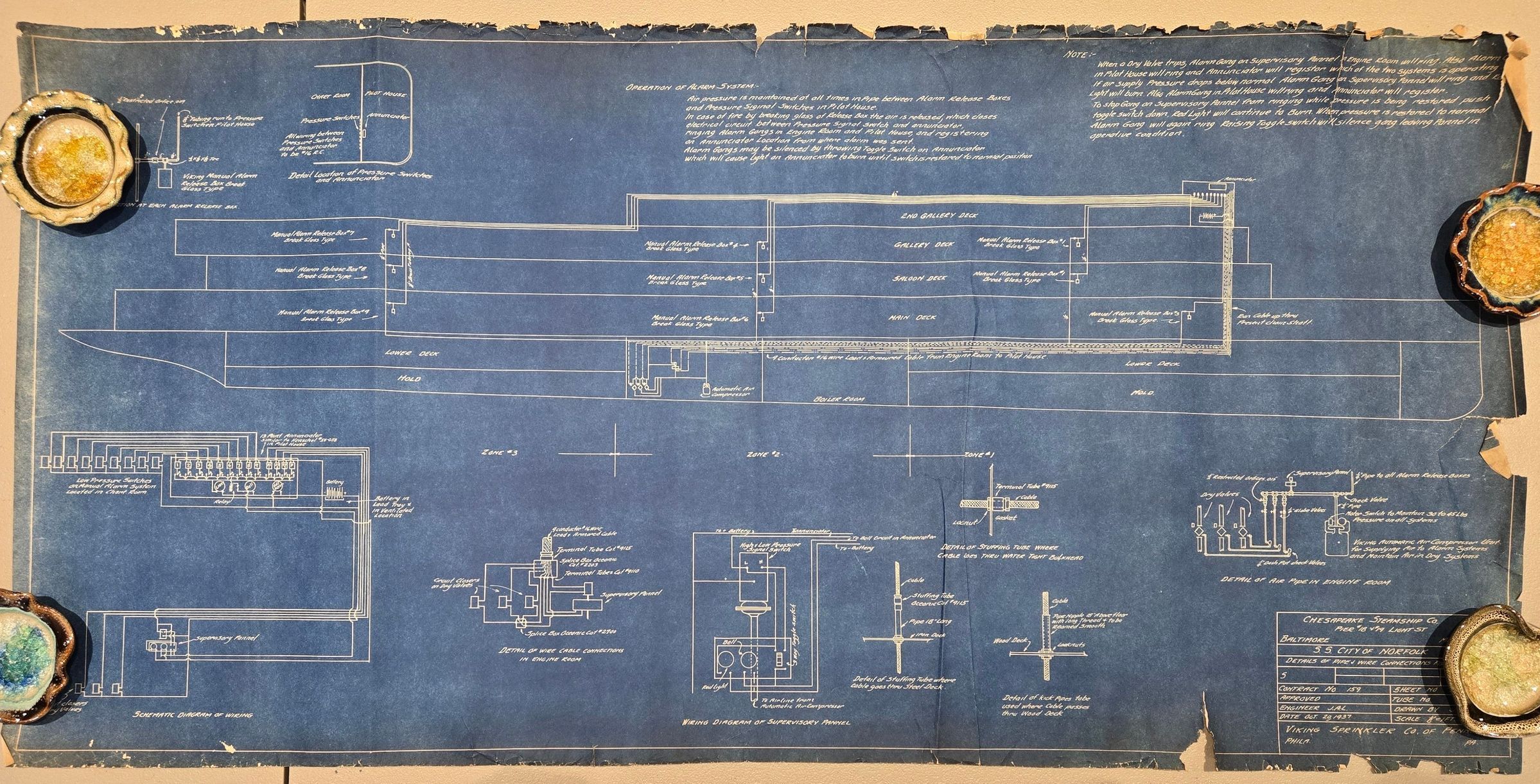
City of Norfolk Sprinkler System Plans
Archive
-
Steamboat Era Museum
Name/Title
City of Norfolk Sprinkler System Plans
Entry/Object ID
2024.43.194
Scope and Content
Deck plans from the City of Norfolk, showing a sprinkler system installation in 1937. 11 sheets.